Die klassische Formsprache der Gegenstromanlagen lässt sich in nahezu alle Poolkonzepte integrieren. Sie wertet Ihren Pool daher bereits durch ihren Anwesenheit auf.
Einsatzgebiet
Zum Wandeinbau in allen Beckenausführungen geeignet. Die Attraktion ist für die Fitness, als Wellen- oder Luftperlbad oder Unterwassermassage nach ärztlichem Rat geeignet. Schwimmen ohne Wende auch in kleinen Becken möglich.
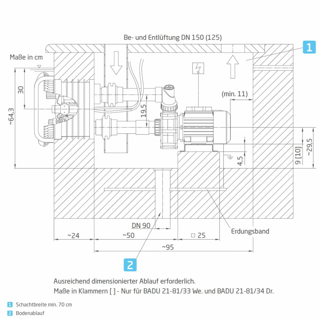
Durch ein Becken bündig eingebautes Einbau- und Düsengehäuse aus Kunststoff, wird mit einer über eine Saug- und Druckleitung angeschlossenen leistungsstarken BADU Pumpe Wasser angesaugt und mit einem kräftigen Strahl über eine regelbare Düse – allseitig um 60° schwenkbar – ins Schwimmbecken zurückgeführt. Eine Vielzahl von Öffnungen um das Düsengehäuse sorgt für eine äußerst geringe Ansaugströmung. Für ein wohliges Ambiente sorgt eine eingebaute LED-Leuchte, die, wie auch der pneumatische Ein-/ Ausschalter und die Regelung für das prickelnde Luftperlbad, vom Becken aus bedient werden kann. Die Pumpe und die LED-Leuchte können über den integrierten Timer automatisch ausgeschaltet werden. Bei Auslieferung ist dieser immer auf 15 Minuten Betriebszeit eingestellt.
- BADU JET Primavera: mit Edelstahlblende, Edelstahlhaltegriff und Fernbedienung (BADU JET Wireless Controll II)
- BADU JET Primavera Deluxe: wie BADU JET Primavera, jedoch darüber hinaus mit Düsen und Bedienelementen aus Edelstahl und Piezotastern
- Förderstrom der Pumpe(m³/h): 75
- Spannung: 230V
- Leistungsaufnahme /-abgabe (kW): 3,90/3,00
- Anzahl der Düsen (40mm): 2
- Ausströmdruck an den Düsen (bar): 1,00
- Ausströmgeschw. mittig 2 m vor den Düsen (m/s): 1,10
- Massagedruck (bar) max: 1,60
- Düsen allseitig schwenkbar (Grad): 60
- Pumpe: BADU 21-81/33 G29° We.
- Förderstrom der Pumpe(m³/h): 75
- Spannung: 400V
- Leistungsaufnahme /-abgabe (kW): 3,90/3,00
- Anzahl der Düsen (40mm): 2
- Ausströmdruck an den Düsen (bar): 1,00
- Ausströmgeschw. mittig 2 m vor den Düsen (m/s): 1,20
- Massagedruck (bar) max: 1,80
- Düsen allseitig schwenkbar (Grad): 60
- Pumpe: BADU 21-81/33 G29° We.
- Düsengehäuse komplett, mit zwei schwenkbaren Düsen und Schrauben
- Edelstahl- und Ansaugblende
- Saug-/Druckleitung 75mm
- Schaltgerät
- Haltegriff und wasserdichte Fernbedienung (BADU JET Wireless Controll II)
Produkt benötigt für seinen ordnungsgemäßen Betrieb eine erhöhte
Netzspannung und ist nicht mit einem zweipoligen Netzstecker
ausgestattet. Die Installation nicht-steckerfertiger Geräte ist vom
jeweiligen Netzbetreiber oder von einem eingetragenen Fachbetrieb
vorzunehmen, der Ihnen auch bei der Einholung der ggf. notwendigen
Zustimmung des jeweiligen Netzbetreibers für die Installation des
Gerätes behilflich ist.
Hinweis:
Die abgebildeten Fotos entsprechen dem letzten Produktionsstand.
Aufgrund der sich ständig ändernden Marktsituation kann jedoch die
tatsächlich gelieferte Ware in Design und Farbe geringfügig davon
abweichen. Infolge der technischen Weiterentwicklung sind Änderungen der
Form kurzfristig möglich.
Ihr Browser unterstützt keine HTML5 Videos/ Your browser does not support HTML5 video.
-
Download Bedienungsanleitung-BADU-Jet-Primavera_BADU-Jet-Primavera-Deluxe.pdf


















Rezensionen
Es gibt noch keine Rezensionen.